產品介紹
產品型號:HDHT47X/H
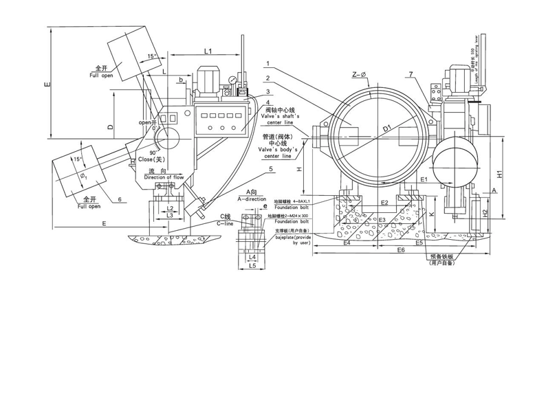
重錘型液控緩閉止回蝶閥閥用途
重錘型液控緩閉止回蝶閥主要用于水電站、供水泵房及電力、石油、化工、冶金、礦山等行業各類泵站r安裝在水輪機進口或水泵出口管路r作截止、止回及調節流量用。閥門有重錘型和蓄能器型可供選擇
液控緩閉止回蝶閥結構特點
1.閥門按程序啟閉,在正常供電和突然停電情況下均能自動按預定的時間和角度分快、慢二階段關閉。閥門開啟的時間與快關、慢關的角度和時間均可按需要進行調節r適應性強
2.消除破壞性水錘、防止水輪機和水泵機組發生飛逸事故,保障設備的安全及系統的可靠運行
3.該閥門可取代水泵出口原電動閘閥和止回閥的功能,一閥代二閥r減小占地面積及投資




TEL:

E-mail us
PDF Download
Inquiry





