產品介紹
產品型號:DHT345H
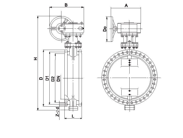
一、 法蘭式雙向密封高性能蝶閥用途
本蝶閥適用于需要雙向密封、頻繁啟閉、高可靠性要求的食品、純凈管路和石化、電力、冶金、交通、大型建筑等領域的重要管道飲料、醫藥、化工等閥門作啟閉或調節流量用r驅動方式有蝸輪手動、氣動、電動可供選擇
二、法蘭式雙向密封高性能蝶閥結構特點本蝶閥采用高性能復合材料密封副r或者堆焊合金鋼密封副、零泄漏、長壽命。獨創的浮動閥座結構確保了閥門的雙向密封r徹底解決了偏心蝶閥只能單向密封的問題。
本蝶閥即有三偏心蝶閥的所有優點又具有高可靠的雙向密封。
一、 法蘭式雙向密封高性能蝶閥用途
本蝶閥適用于需要雙向密封、頻繁啟閉、高可靠性要求的食品、純凈管路和石化、電力、冶金、交通、大型建筑等領域的重要管道飲料、醫藥、化工等閥門作啟閉或調節流量用r驅動方式有蝸輪手動、氣動、電動可供選擇
二、法蘭式雙向密封高性能蝶閥結構特點本蝶閥采用高性能復合材料密封副r或者堆焊合金鋼密封副、零泄漏、長壽命。獨創的浮動閥座結構確保了閥門的雙向密封r徹底解決了偏心蝶閥只能單向密封的問題。
本蝶閥即有三偏心蝶閥的所有優點又具有高可靠的雙向密封。
雙向密封蝶閥高性能三偏心雙向密封蝶閥,其特征在于:所述閥座密封圈由軟性T形密封環兩側多層不銹鋼片組成。閥板與閥座的密封面為斜圓錐結構,在閥板斜圓錐表面堆焊耐溫、耐蝕合金材料;固定在調節環壓板之間的彈簧與壓板上調節螺栓裝配一起的結構。這種結構有效地補償了軸套與閥體之間的公差帶及閥桿在介質壓力下的彈性變形,解決了閥門在雙向互換的介質輸送過程中存在的密封問題。采用軟性T型兩側多層不銹鋼片組成密封圈,具有金屬硬密封和軟密封的雙重優點,無論在低溫和高溫情況下,均具有零滲漏的密封性能。
一、 法蘭式雙向密封高性能蝶閥用途
本蝶閥適用于需要雙向密封、頻繁啟閉、高可靠性要求的食品、純凈管路和石化、電力、冶金、交通、大型建筑等領域的重要管道飲料、醫藥、化工等閥門作啟閉或調節流量用r驅動方式有蝸輪手動、氣動、電動可供選擇
二、法蘭式雙向密封高性能蝶閥結構特點本蝶閥采用高性能復合材料密封副r或者堆焊合金鋼密封副、零泄漏、長壽命。獨創的浮動閥座結構確保了閥門的雙向密封r徹底解決了偏心蝶閥只能單向密封的問題。
本蝶閥即有三偏心蝶閥的所有優點又具有高可靠的雙向密封。
雙向密封蝶閥高性能三偏心雙向密封蝶閥,其特征在于:所述閥座密封圈由軟性T形密封環兩側多層不銹鋼片組成。閥板與閥座的密封面為斜圓錐結構,在閥板斜圓錐表面堆焊耐溫、耐蝕合金材料;固定在調節環壓板之間的彈簧與壓板上調節螺栓裝配一起的結構。這種結構有效地補償了軸套與閥體之間的公差帶及閥桿在介質壓力下的彈性變形,解決了閥門在雙向互換的介質輸送過程中存在的密封問題。采用軟性T型兩側多層不銹鋼片組成密封圈,具有金屬硬密封和軟密封的雙重優點,無論在低溫和高溫情況下,均具有零滲漏的密封性能。
試驗證明介質流動方向與蝶板轉動方向相同時,密封面的壓力是傳動裝置的力矩和介質壓力對閥板的作用產生的。正向介質壓力增大時閥板斜圓錐表面與閥座密封面擠壓越緊,密封效果越好。當逆流狀態時,閥板與閥座之間的密封靠驅動裝置的力矩使閥板壓向閥座。隨著反向介質壓力的增大,閥板與閥座之間的單位正壓力小于介質壓強時,調節環的彈簧在受載后所儲存的變形能補償閥板與閥座密封面的緊壓力起到自動補償作用。因此本實用新型不像現有的技術那樣,在閥板上安裝軟硬多層密封圈,而是直接安裝在閥體上,在壓板和閥座中間增設調節環是十分理想的雙向硬密封方式。它將可取代閘閥、截止閥及球形閥。

TEL:

E-mail us
PDF Download
Inquiry





